El. paštu
Naujienos

Mini ekskavatorių statyba ir priežiūra

Mini ekskavatorių statyba ir priežiūra


„Mini Excavator Construction Innovation“ ir intelektuali techninė priežiūra: mažas kėbulas, nešantis didelius projektus


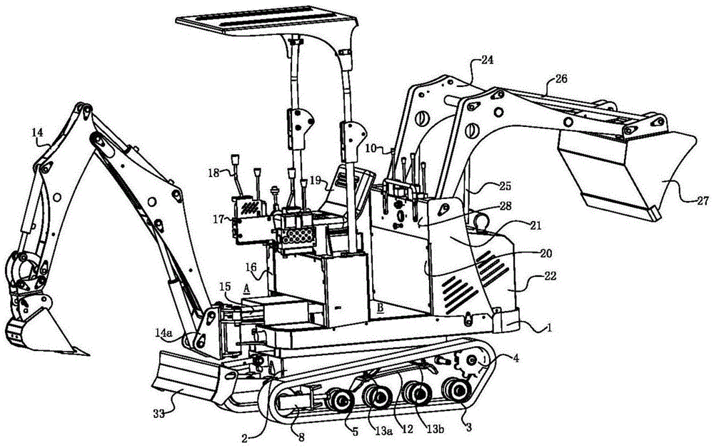
1 、 Mini ekskavatorių konstrukcijos analizė: keturių matmenų technologija, pertvarkanti „kosmoso magą“

Važiuoklė ir vaikščiojimo sistema:


Tailless posūkio dizainas: tokie modeliai kaip „Sany SY18U“ priima „nulinės uodegos išsikišimo“ struktūrą, kurio uodegos posūkio spindulys yra tik 0,86 metro, leidžiantis laisvai 360 ° sukimosi siaurose tuneliuose, nesikišant į sienas. Tuo pačiu metu mūsų 0,8TON mini ekskavatorius taip pat gali pasiekti 1,1 m posūkio spindulį, leidžiantį nemokamai ir lanksčiai veikti siaurose vietose.


Reguliuojamas takelio rėmelis: takelio matuoklis gali būti laisvai sureguliuotas (pvz., SY16C, palaikantis 980-1350 mm išplėtimą ir susitraukimą), todėl lengva kirsti siaurą 1 metro alėją. Guminis takelio įžeminimo slėgis yra net 25 kPa, apsaugantis asfaltuotą žemę.


Savarankiško tepimo guoliai: „Yanmar“ važiuoklė naudoja „iGlidur G“ serijos plastikinius guolius, o ne tradicinius rutulinius guolius, kurie yra kovos su užsiteršimu, prieš rūdimis ir be priežiūros, padidindami aptarnavimo laiką tris kartus.




Galios ir hidraulinė sistema:


Dvigubo režimo galios revoliucija: Mažas ekskavatorius priima „Kubota KX019“, palaikančią dyzeliną/elektrinį vieno paspaudimo perjungimą, 20 kWh baterijos pakuotė suteikia 8 valandų diapazoną, o vidaus veikimo triukšmas yra net 66 decibelai.


Intelektuali hidraulinė kontrolė: apkrovos jautri technologija (pvz., „Shengang SK35SR-6“) pasiekia srauto pasiskirstymo tikslumą ± 1,8%, kompozicinio veiksmo atsako greitis-0,7 sekundės, o energijos suvartojimo sumažinimas-22%.




Darbo įrangos tobulinimas:


Atsparus nusidėvėjimo struktūra: Kompaktinio ekskavatoriaus strėlės sujungtas sąnarys buvo atliktas karburizuodamas šilumą (kietumą HRC55+), o kibiras suvirinamas su „Hardox500“ atsparus dėvėjimams (kietumas HB500), prailgindamas savo tarnavimo laiką 30%.


Šoninio judėjimo rankos patentas: „Kubota U-15-3S“ pasiekia kairę 595 mm/dešiniojo nuokrypį-350 mm, o kasinėjimui ant sienos nereikia judėti kūno.


„Rotary“ įrenginys, 360 ° visapusis veikimas, lankstus prisitaikyti prie įvairių darbo aplinkų.


Žmogaus kompiuterio sąveikos atnaujinimas


Apvyniokite atsparią kabiną: sertifikuota ROPS/FOPS (atspari 16 tonų statinio slėgio), aprūpintas plūduriuojančiomis sėdynėmis, LCD jutikliniu ekranu ir AI erdvinio vaizdo stebėjimu, sumažinant akluosius taškus 40%.


2 、 Priežiūra ir dienos priežiūra:

Auksinė kasdienės priežiūros taisyklė


Hidraulinio aliejaus valdymas: Vasarą naudokite anti-drabužių hidraulinį aliejų Nr. 68, o žiemą-žemo klampumo aliejaus Nr. 32. Norėdami išvengti siurblio ir vožtuvo susidėvėjimo, reguliariai patikrinkite NAS švarą (≤ 8).


Sviesto užpildymo ciklas: kas 10 dienų įpurškite riebalų rotacinį guolį ir įšvirkškite aukšto slėgio tepalą kas 4–8 valandas, kad būtų galima dirbti darbinio įtaiso vyrio taške, kad kaiščio velenas būtų užstrigęs.




Pagrindinė komponento gyvenimo pratęsimo technika:


Vikšro sistema: sureguliuokite įtempimą, kad nebūtų per daug laisvas (šokinėjantys dantys) arba per griežtai (pagreitinantis nusidėvėjimas); Reguliariai valykite žvyrą, kad užkirstų kelią atraminio rato sandarinimui.


„Dėvėkite geležies trikampį“:

Stebėkite batų patikrinimą įtrūkimus/500h

Pavaros žvaigždės dantys yra žemūs ir iškart pakeičiami

Inertinių ratų sandariklio alyvos nuotėkį reikia taisyti

Remiantis „Stowers Cat“ statistika, 80% važiuoklės gedimų sukelia šie trys komponentai.


Ekstremalių darbo sąlygų tvarkymo gairės:


Didelio aukščio veikimas: „Mini Excavator“ variklis su turbokompresoriumi turi 15%galios kompensaciją, o hidraulinėje sistemoje yra slėgio kompensavimo vožtuvas, kad būtų išvengta srauto nuostolių.

Vandens plyšimo operacija: Italijos potvynio gelbėjimo metu šiuolaikinis HX35AZ per sandariam grandinės modulį pasiekė 0,8 metro plyšį.


Ilgalaikiai saugojimo standartai:


Parkuoti sausame kambaryje, palaikykite takelius, kad sumažintumėte įžeminimo slėgį;

Užpildykite degalų baką, kad išvengtumėte kondensacijos, atitraukite visus hidraulinius cilindrus, kad būtų išvengta sandarinimo senėjimo;

Pradėkite kartą per 3 mėnesius, kad grandinės plokštė netaptų drėgna.


3 、 Technologinė siena: elektrifikavimas ir intelektualus pramonės ekologijos restruktūrizavimas

Galios revoliucija:


Modulinė baterija: „Hitachi ZX55U-6EB“ palaiko dvigubą komercinės galios ir akumuliatoriaus pavarą, o 2 valandas greitai įkraunama, kad per 6 valandas būtų galima 10 valandų.


Vandenilio energijos bandymas: „HD Hyundai“ sukūrė vandenilio degalų variklį (HX12), kad būtų pasiekta nulinė anglies konstrukcija.


Prognozuojama priežiūra:


IoT nuotolinė diagnozė: „Sany SY35U“ yra aprūpinta „Hi Mate“ sistema, kuri realiuoju laiku analizuoja alyvos temperatūros ir vibracijos duomenis, o gedimo įspėjimo tikslumo greitis yra 92%.


AR priežiūros pagalba: „Kaise Micro Excavator“ teikia VR operacijos mokymus mažiems ekskavatoriams, imituojant 30 gedimų scenarijus ir padidina priežiūros efektyvumą 40%.


4 、 Praktinis liudytojas: nuo senovės namo restauravimo iki kasybos reikmenų

Mingo ir Qing dinastijos mokslininko gyvenamosios vietos atkūrimas Taizhou: Kubota U-15-3S Mažas ekskavatorius baigė požeminio vamzdžio tranšėjos kasimą per 0,85 metro arką, o šoninės judėjimo funkcija buvo apsaugota senovės siena 95% nepažeista greičiu.


Požeminės operacijos Čilės vario kasykloje: kompaktiškas ekskavatorius su modifikuota sustiprinta kabina, nuolat veikianti 300 valandų be jokių gedimų, todėl pakrovimo išlaidos sumažėjo 23%.


Tokijo nakties savivaldybės statyba: gryna „Sany SY19E“ mini ekskavatoriaus versija tyliai veikia 66 decibeluose, išsprendžiant miesto „statybos laiko lango“ problemą.


Išvada: mažas kūnas turi didelę ateitį

Nuo 0,8 tonų ypač plono modelio iki 4 tonų sunkiųjų karių, maži ekskavatoriai patiria trigubą tikslumo konstrukcijos evoliuciją, įvairūs energijos šaltiniai ir intelektuali priežiūra, pertvarkydami pasaulinę statybos paradigmą. Kadangi kasmetiniai pardavimai viršijo 3100 vienetų Indijos rinkoje ir maždaug 40% skverbimosi į elektrinius variklius, iki 2025 m.


Pramonės priežiūros patirtis:

Kompaktiškų ekskavatorių tikslus dizainas yra stuburas, o intelektuali techninė priežiūra yra gyvybinė jėga, taupant techninės priežiūros išlaidas 1 juaniu ir sumažinant remonto išlaidas 10 juanių.



Susijusios naujienos
Palikite man žinutę
Mobilusis
Adresas
Changjiang West Road, Huangdao rajonas, Čingdao miestas, Šandongo provincija, Kinija
X
Naudojame slapukus siekdami pasiūlyti geresnę naršymo patirtį, analizuoti svetainės srautą ir suasmeninti turinį. Naudodamiesi šia svetaine sutinkate su mūsų slapukų naudojimu. Privatumo politika
Atmesti Priimti